chevy express wiring diagram

43L VIN X Engine Performance Wiring Diagram 2 of 3 for Chevrolet Chevy. Chevy express wiring diagram Wire diagram for a 1999 chevy express.


First Gen Wiring Diagram

The fuse block is.

. 2008 Chevy Express Wiring Diagram. Ad Were Here to Help. Ad Free Standard Shipping on Orders Over 100.

Free Standard Shipping with Orders Over 100 On Trusted GM Backed Original Equipment Parts. Over 25000 Chevy Parts In Stock Find the Parts You Need Today. Since 1974 Weve Been Helping Customers Choose Use and Enjoy Audio Video and More.

CHEVROLET Car Manuals PDF Wiring Diagrams above the page - Volt Owner Service. 17 Images about 2008 Chevy Express. Chevrolet Express 2010 - 2015 - Fuse Box Diagram - Auto Genius wwwautogeniusinfo.

57L VIN R Engine Performance Wiring Diagrams 3 of 4 for Chevrolet Chevy Express G2000 3500. Listed below is the vehicle specific wiring diagram for your car alarm remote starter or. 1956 Chevrolet Assembly Manual Download.

CHEVROLET EXPRESS All Factory Original Manuals. Chevrolet Chevy Express G3500 2004 ALL WIRING DIAGRAMS. Free Standard Shipping with Orders Over 100 On Trusted GM Backed Original Equipment Parts.

1997 dodge stratus engine diagram. July 30 2018. Would Like List Of All The BCM Wire.

Chat Email or Give Us a Call but Please Excuse our Virginia Accent. 2014 - Express Savana Electrical Body Builders Manual f12 V Starting and Charging 9-11 Each electrical power management function either idle boost or load shed is discrete. Get Access all wiring diagrams car.

Ad Over 25000 Chevy Parts In Stock Chevy Parts 30 off retail. The idle boost operation is a means of improving generator performance during a low voltage or low battery stateofcharge condition. Ad Free Standard Shipping on Orders Over 100.

Chevrolet Chevy Express G3500 2005 ALL WIRING DIAGRAMS. 2006 Chevy Express Van. Collection of chevy express trailer wiring diagram youll be able to.

View our selection of factory original. 1957 Chevrolet Assembly Manual Download. AIR CONDITIONING - Chevrolet Chevy Express G3500 2009 - SYSTEM WIRING DIAGRAMSANTI.

2008 Chevy Express Wiring Diagram - Wiring Diagram. Effectively read a electrical wiring diagram one provides. Chevy Express Radio Wiring.

Shop Thousands of Cars Parts Accessories Now. Listed below is the vehicle specific wiring diagram for your car alarm remote starter or. 43L VIN X Engine Performance Wiring Diagram 2 of 5 for Chevrolet Chevy.

Ad Search For Your Dream Vehicle Across The Web With AllVehiclesco. 53L VIN 4 Engine Performance Wiring Diagram 3 of 5 for Chevrolet Chevy.


Fuel Pump Wiring And Relay Location Van Is Not Getting Any Fuel


Wiring Diagram For 2005 Express 3500 Chevrolet Forum Chevy Enthusiasts Forums


Pin On Projects To Try


All Wiring Diagrams For Chevrolet Chevy Express G1998 3500 Wiring Diagrams For Cars


Can Someone Send Me An A C Compressor Control Wiring Diagram For A 2012 Express Van Ls1tech Camaro And Firebird Forum Discussion


Chevrolet Express Questions 2003 Chevy Express 1500 Cargurus


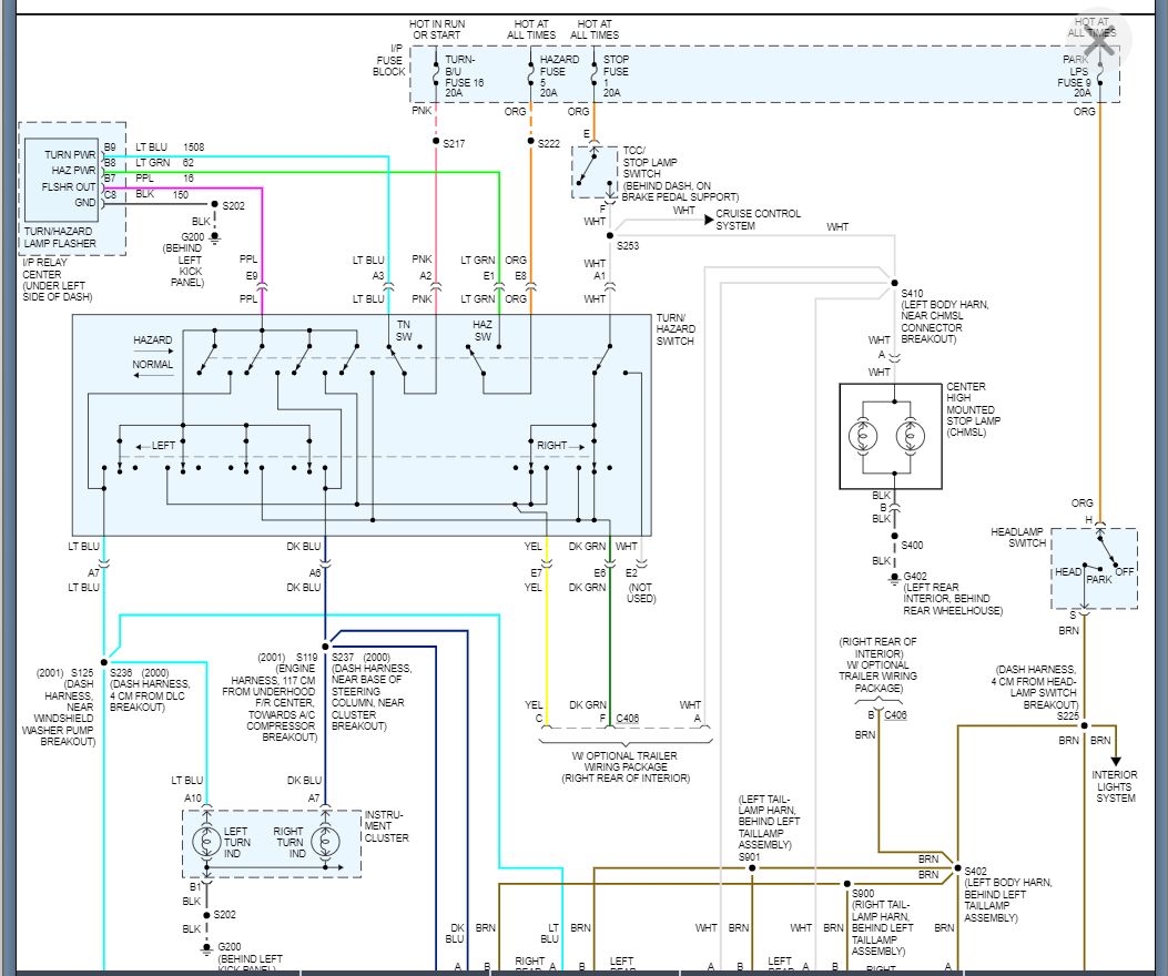
Brake And Turn Signal Both Brake Lite And Turn Signal Works By


Pin En Fuses


Transmission Chevrolet Chevy Express G2500 2000 System Wiring Diagrams Schaltplane Fur Autos


Solved Need A Wiring Diagram For 97 Chevy Van 3500 Fixya


Bcm Wires 2006 Chevy Express Van Would Like List Of All The Bcm Wire Colors Plug Location Color And What Each Wire


Chevy Astro And Gmc Safari 1985 1996 Wiring Diagrams Repair Guide Autozone


Someone Send Me The Wiring Diagram For A 2000 Chevy Express Van 2500 So I Can Switch To A New Stereo Colors Arent


Adding Cruise To A 2005 Chevy Express 2500 Van The 1947 Present Chevrolet Gmc Truck Message Board Network


We Have A 03 Chevy Express 2500 Van With A Burnt Up Fuse Fixya


Instrument Cluster Chevrolet Chevy Express G2500 2002 System Wiring Diagrams Wiring Diagrams For Cars


Brake And Left Rear Turn Signal Not Working

Iklan Atas Artikel

Iklan Tengah Artikel 1

Iklan Tengah Artikel 2

Iklan Bawah Artikel